Indirizzo:
No.233-3 Yangchenghu Road, parco industriale Xixiashu, distretto di Xinbei, città di Changzhou, provincia di Jiangsu
• Il rivestimento diamantato viene utilizzato con una tecnologia avanzata per ottenere una migliore adesione del rivestimento.
• La tecnologia di rettifica avanzata garantisce coassialità ultraelevata, resistenza alle alte temperature e resistenza all'usura all'interno di un diametro effettivo ultra lungo.
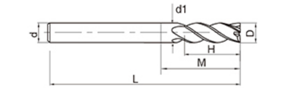
| Modello | Dimensioni di base (mm) | |||||
| D | H | M | d1 | d | l | |
| NNS-4T-D3M20 | 3.0 | 9 | 20 | 2.8 | 3 | 60 |
| NNS-4T-D4M25 | 4.0 | 12 | 25 | 3.7 | 4 | 60 |
| NNS-4T-D6M35 | 6.0 | 25 | 35 | 5.6 | 6 | 75 |
| NNS-4T-D8M35 | 8.0 | 25 | 35 | 7.6 | 8 | 75 |
| NNS-4T-D10M50 | 10.0 | 35 | 50 | 9.6 | 10 | 100 |
| NNS-4T-D12M65 | 12.0 | 50 | 65 | 11.4 | 12 | 100 |
| NNS-4T-D16M80 | 16.0 | 60 | 80 | 15.6 | 16 | 150 |
| NNS-4T-D3M30 | 3.0 | 12 | 30 | 2.8 | 3 | 75 |
| NNS-4T-D4M30 | 4.0 | 12 | 30 | 3.7 | 4 | 75 |
| NNS-4T-D3M30 | 3.0 | 9 | 30 | 2.8 | 3 | 100 |
| NNS-4T-D4M30 | 4.0 | 12 | 30 | 3.7 | 4 | 100 |
| NNS-4T-D6M40 | 6.0 | 25 | 40 | 5.6 | 6 | 100 |
| NNS-4T-D8M40 | 8.0 | 30 | 40 | 7.5 | 8 | 100 |
| NNS-4T-D6M40 | 6.0 | 25 | 40 | 5.6 | 6 | 150 |
| NNS-4T-D8M70 | 8.0 | 50 | 70 | 7.5 | 8 | 150 |
| NNS-4T-D10M70 | 10.0 | 50 | 70 | 9.6 | 10 | 150 |
| NNS-4T-D12M70 | 12.0 | 50 | 70 | 11.6 | 12 | 150 |
Le frese a 4 taglienti per lavorazione della grafite NNS-4T presentano un'esclusiva geometria della scanalatura progettata per ottimizzare l'evacuazione del truciolo, riducendo efficacemente l'accumulo di polvere durante la lavorazione della grafite. La forma dell'utensile progettata con precisione bilancia affilatura e durata, garantendo prestazioni di taglio uniformi, riducendo al minimo le vibrazioni e migliorando la qualità della superficie.
Questa serie è rivestita con un rivestimento diamantato ad alte prestazioni, che migliora significativamente l'adesione e fornisce allo stesso tempo un'eccezionale resistenza all'usura e all'ossidazione. Anche in condizioni di alta temperatura e alta velocità, lo strumento mantiene prestazioni eccezionali. La tecnologia di rettifica avanzata garantisce una concentricità ultraelevata su una lunghezza di taglio effettiva estesa, offrendo precisione e stabilità superiori e prolungando la durata dell'utensile.
NNS-4T offre un'ampia gamma di combinazioni di diametro, lunghezza della scanalatura, diametro del gambo e lunghezza complessiva, rendendolo adatto sia per lavorazioni complesse di precisione che per tagli ad alta efficienza su larga scala. Con le sue diverse specifiche, gli utenti possono selezionare liberamente il modello più adatto per le loro applicazioni specifiche, garantendo una lavorazione della grafite efficiente e affidabile.
Costituzione d'impresa
Dipendenti

Changzhou Maton Tools Co.,Ltd. is located in the economically developed Yangtze River Delta region.The factory is located in XixiashuHigh-tech Development Zone,a well-known tool town in China. We are Frese per la lavorazione della grafite a 4 taglienti Suppliers.
Magotantools take the ISO9001 quality system as the standard,under the guidanceof the business philosophy of"zero defect in products"and"zero distance in service",based on the spirit of"integrity","unity"and"exploita- tion",and follow a fair and just company style for management.Product production adopts five-axisand six-axis CNC grinding and machining centers from Germany,Switzerland,Japan,etc.,and is equipped with high-precision testing equipment such as Germany,Japan,and China,so as to meet the needs of production with high quality and quantity.
The company continuously develops various high-performance CNC tools, and has won various national awards. Professional Frese per la lavorazione della grafite a 4 taglienti Factory. More than 10 patents,the company's products are mainly used in the defense industry, aerospace industry,automotive industry,electronic products and molds and other fields.
The company's various products are recognized and favored by well-known domestic companies.With infinite technology,infinite creation,and pursuit of excellence,Magotan tools will write future prosperity and dreams with more extraordinary confidence and high-quality quality.
Ti risponderemo entro 12 ore dalla ricezione della richiesta nei giorni feriali.
Siamo produttori, produciamo e vendiamo noi stessi.
We mainly produce tungsten steel milling cutters, drill bits and other hard alloy tools. Professional Frese per la lavorazione della grafite a 4 taglienti Suppliers.
I nostri prodotti coprono quasi l'intera industria degli stampi, l'industria della difesa, l'industria aerospaziale, l'industria automobilistica, i prodotti elettronici e altri campi.
Yes, our main focus is on customized products. We develop and produce products based on the drawings or samples provided by customers. Custom Frese per la lavorazione della grafite a 4 taglienti.
We have over 30 units of WALTER from Germany, Makino from Japan, ROLLMATIC from Switzerland, and TTB from Switzerland, with an annual output value of 80 million RMB. We are Frese per la lavorazione della grafite a 4 taglienti Factory
Innanzitutto, dopo ogni processo, effettuiamo le ispezioni corrispondenti. Per il prodotto finale, effettueremo un'ispezione completa al 100% in base alle esigenze del cliente e agli standard internazionali;
Quindi, disponiamo di apparecchiature di prova avanzate e complete di prim'ordine nel settore, come analizzatori spettrali, microscopi metallografici, ecc., che possono garantire la stabilità e la coerenza degli utensili da taglio, soddisfacendo al tempo stesso i requisiti di test ad alta precisione dei clienti per gli utensili da taglio.
Al momento del preventivo, confermeremo con te il metodo di transazione, FOB, CIF, CNF o altre opzioni. Quando si produce in grandi quantità, di solito effettuiamo prima un pagamento anticipato del 30%, quindi paghiamo il saldo rimanente dietro presentazione della polizza di carico. Utilizziamo principalmente T/T come metodo di pagamento, ma anche L/C è accettabile.